Motor D 2500K
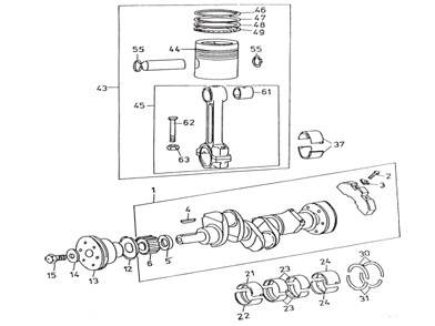
1. Arbore cotit, angrenare
- Arbore cotit
- Arbore cu came
- Biela
- Bucsa biela
- Cuzineti biela
- Cuzineti palier
- Piston motor
- Segmenti motor
2. Garnituri motor
3. Sistem racire si evacuare
4. Bloc motor
5. Control distributie
6. Electromotoare si alternatorare
7. Chiuloasa
8. Pompe/Sisteme
9.Filtre si aprindere
Transport gratuit
Transport gratuit in toata tara
Piesele ajung in 24-48 ore
Contact
Tel/Fax: 031.080.7082
Mobil: 0771 029 1422
Suport tehnic
Asistenta tehnica in identificarea pieselor.








